磷酸鐵鋰廢水MVR調試現場
- 2018-07-02
- 14823
- 無錫錫云環保科技有限公司
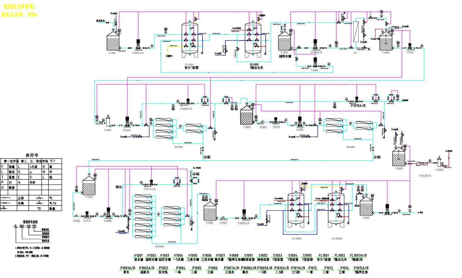
鋰電池行業用超純水磷酸鐵鋰廢水MRV系統概述:
電池行業用超純水包括蓄電池生產用純水,鋰電池生產用純水,太陽能電池生產用純水,蓄電池格板用純水,磷酸鐵鋰廢水MRV系統。電池中電解液的配備對純水要求十分嚴格, 通常要求水的電導率在0.1us/cm(電阻值在10兆歐姆)以上,傳統用來制備電池用超純水的工藝是常采用陰陽樹脂交換設備,該工藝的缺點在于樹脂在使用一段時間以后要經常再生。隨著膜分離技術的不斷成熟,現在常常采用反滲透過濾工藝,或者是采用一級反滲透后面再經過離子交換混床(或電去離子EDI)工藝來制取超純水。

電池行業制備超水的工藝:
1、采用離子交換方式,其流程如下:
原水→原水加壓泵→多介質過濾器→活性炭過濾器→軟水器→精密過濾器→陽樹脂過濾床→陰樹脂過濾床→陰陽樹脂混床→微孔過濾器→用水點
2、采用兩級反滲透方式,其流程如下:
原水→原水加壓泵→多介質過濾器→活性炭過濾器→軟水器→精密過濾器→一級反滲透 →PH調節→中間水箱→二級反滲透(反滲透膜表面帶正電荷)→純化水箱→純水泵→微孔過濾器→用水點
3、采用EDI方式,其流程如下:
原水→原水加壓泵→多介質過濾器→活性炭過濾器→軟水器→精密過濾器→一級反滲透機→中間水箱→中間水泵→EDI系統→微孔過濾器→用水點
工藝簡介:
反滲透技術是一種高效率、低能耗能、無污染的先進技術,主要應用于純水制備與海水淡化。反滲透技術是利用壓力差為動力的膜分離過濾技術,通過壓力差將H2O與源水中的無機鹽、重金屬離子、有機物、膠體、細菌、病毒等雜質嚴格分離。
EDI是一種電滲析技術和離子交換技術相融合的先進技術,系統能夠通過電磁場通過陰、陽離子交換膜對陰、陽離子的選擇性透過作用與離子交換樹脂對離子的交換作用,在直流電場的作用下實現離子的定向遷移,從而完成水的深度除鹽,系統能夠完成樹脂連續不斷的自動再生,無需停機使用酸堿再生樹脂,從而能連續制取高品質純水。
離子交換是用于制取超純水的一種傳統技術。離子交換的原理是在一定條件下,依靠離子交換劑(樹脂)本身所具有的某種離子和待處理水中同電性的離子相互交換而達到軟化、除堿、除鹽等功能。用于深度脫鹽處理,產水電阻率動態可達到18MΩ.cm。
純水處理工藝之離子交換法:
雙級反滲透是將兩套反滲透裝置串聯,一級反滲透的產水作為二級反滲透的入水。由于一級反滲透的產水水質遠遠好于自來水,所以二級反滲透產水的水質較單級RO系統產水水質更佳,離子、有機物和熱源含量更低。




















網站首頁
產品中心
新聞資訊
一鍵撥打